retweet icon bullhorn icon reply icon info icon flickr icon tumblr icon vimeo icon reddit icon podcast icon angle-down icon angle-left icon angle-right icon angle-up icon ban icon hamburger icon book icon bookmark icon bug icon caret-down icon caret-left icon caret-right icon caret-up icon chain icon check icon check-circle icon chevron-down icon chevron-left icon chevron-right icon chevron-up icon circle icon circle-o icon clone icon close icon download-cloud icon code icon download icon ellipsis icon envelope icon warning icon external-link icon eye icon eye-slash icon facebook icon github icon google-plus icon heart icon heart-o icon home icon info-circle icon instagram icon linkedin icon lock icon medium icon minus-circle icon send icon pause-circle icon play-circle icon plus-circle icon question-circle icon quote-left icon quote-right icon rss-square icon search icon share-alt icon slack icon snapchat icon ticket icon twitter icon wheelchair icon youtube icon Skip to main content
University of Texas at Austin - home
CBEI - Concrete Bridge Engineering Institute home

Header Menu

  • Contact Us
  • About
    • Organization
    • People
    • CBEI Network
    • Contact Us
  • Training & Certification
  • Concrete Solutions Center
  • Concrete Bridge Component Collection
  • cbei Network
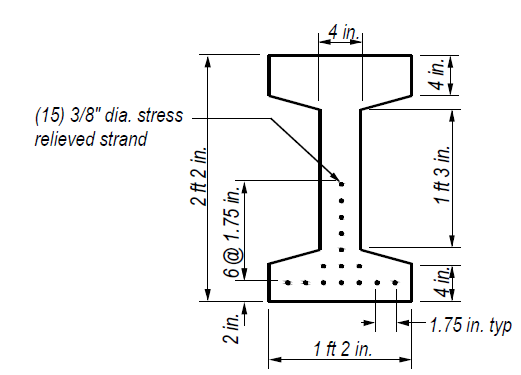
State Road 72 FLDOT

State Road 72 Girder

Donated by Florida Department of Transportation
Further Information

Constructed in 1954,  this bridge girder is an example of the earliest pretensioned concrete bridge girders used in Florida. 

Resources

  • Hamilton, H.R. and Consolazio, Gary R. and Ross, Brandon E. "End region detailing of pretensioned concrete bridge girders." (20
CBEI - Concrete Bridge Engineering Institute home
Find us on Linkedin
Find us on Youtube

Footer menu

  • Contact Us
  • cbei Home
  • UT Austin Home
  • Emergency Information
  • Site Policies
  • Web Accessibility Policy
  • Web Privacy Policy
  • Adobe Reader

© The University of Texas at Austin 2026